Pen Holder Floating Z by Myke974
Free
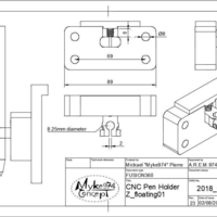
Summary When you write or cut on uneven surface, you need pressure and some few millimeter backlash For a 8mm pen diameter You'll need 3 springs for the 8 mm floating distance. It was designed to be CNC 3 axis -able and 3D Printable ;) All the sliding parts are 0.50mm away from each others. I didn't make it yet but I'm pretty confident all is OK ! 99% sure ;) If you want any other file format, feel free to let me know ;) I'm planning to make thé design accessible through FUSION 360 sharing function. You can support me : https://www.patreon.com/myke974 ;) How I Designed This I designed a CNC from scratch and I want it to be multitool able ! This is for holding a Pen or scalpel.

Loading comments...

Loading prints...

Pen Holder Floating Z by Myke974

likes
0 collections
Creative Commons Attribution

You can distribute, remix, adapt, and build upon the material in any medium or format, as long as attribution is given to the creator.

CC BY Licensed under CC BY
Files Included

3 downloadable files:

View 3D
Pen_Holder.stl
STL Model
235.3 KB
File size
View 3D
Top.stl
STL Model
101.8 KB
File size
View 3D
Bottom.stl
STL Model
239.5 KB
File size
Free download - login required
Downloaded: 55 times